31665000 Metris S Смеситель для душа, однорычажный, СМ, хром
Бренд:
HansgroheОписание
Характеристики продукта:
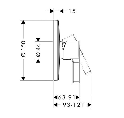
вид соединения: скрытая часть
комплект поставки: розетка, рукоятка, гильза, функциональный блок
вид соединения: скрытая часть
комплект поставки: розетка, рукоятка, гильза, функциональный блок
Характеристики
Артикул
31665000
Материал
латунь
Гарантия
5 лет
Бренд
Hansgrohe
Механизм
керамический картридж
Тип
Смеситель
Серия
Metris S
Управление
Однорычажное
Тип подводки
жесткая
Страна
ГЕРМАНИЯ
Отзывы







